3 key research applications of dome-loaded back-pressure regulators
While catalysis has played a key role in technological advances for decades, it is rapidly becoming an even more important area of research, largely due to its potential to create cleaner fuels, reduce emissions, and contribute to other environmentally related endeavors. In the past few years, the American Chemical Society has created a separate division for catalysis, the Royal Society of Chemistry has launched a journal dedicated to catalysis technology, and multiple universities have established centers for catalysis research.
Schematic shows how a dome-loaded backpressure regulator controls inlet pressure to be equal to pilot pressure. This requires a manual or electro-pneumatic regulator to supply the 1:1 set-point pilot pressure. (Courtesy Equilibar, LLC)
One of the challenges catalysis researchers face is finding effective fluid control systems that can operate under harsh conditions, including microflow rates, aggressive and two-phase chemistry, high temperatures, and high pressures. These challenges have created a unique opportunity for manufacturers of dome-loaded backpressure regulators. In the past three to four years, these uniquely sensitive regulators have been utilized more and more in catalysis research.
READ ALSO: High-Performance Pressure Regulation
Unlike traditional spring-loaded designs, dome-loaded backpressure regulators have a gas set-point pressure on top of a relatively large and supple diaphragm. The 1-to-1 pressure can be provided by either a manual or electronic pressure regulator (often with nitrogen for higher pressure applications). This unique configuration has become popular with catalysis researchers because the simpler diaphragm design maintains tight control over very wide flow rate ranges, even allowing for precision with two-phase flow. The single moving part allows systems to be used in ovens as hot as 300 C and with chemicals as aggressive as hydrofluoric acid.
Schematic shows alternative feeds to a catalytic reactor. The dome-loaded backpressure regulator maintains equivalent pressure on both sides of a 4-way switching valve by using the active feed pressure as the pilot pressure to control the back pressure on the inactive feed line. (Courtesy Fuels, Engines and Emissions Research Center at Oak Ridge National Laboratory)The following case studies demonstrate how innovative thinking and synergistic technologies have been used with dome-loaded regulators to create elegant pressure control solutions for three very different projects in the catalysis gas research arena.
1. Oak Ridge National Laboratory: Alternating Gas Feeds Combined with Low Pressure and High Temperature
Background:
Oak Ridge National Laboratory in Tennessee is a world leader in multiple areas of research, including clean energy. Recently, the Fuels, Engines and Emissions Research Center at Oak Ridge has been involved in a Department of Energy (www.doe.gov) initiative to explore low-cost emissions control for advanced combustion engines. As part of this project, researchers successfully used a sensitive dome-loaded backpressure regulator to maintain a continuous and precise flow rate to a catalytic reactor while switching between two separate gas feeds under extreme conditions.
Equilibar Research Series backpressure regulator installed in the Oak Ridge National Laboratory’s reactor system.
The Challenge:
As the schematic shows, the gas feed to the Oak Ridge reactor must be switched from Stream A to Stream B without disruption or surge in flow rate. A smooth switch is especially critical because the switching times are not equal and the gas flow rates are as low as 20 standard ml/minute. Another key challenge in this application is the combination of low pressure (approximately 0.2 bar gauge) and high temperature (190 C). Gas flow rates ranged from 20 standard milliliters/minute up to 5 standard liters/minute.
Schematic shows alternative feeds to a catalytic reactor. The dome-loaded backpressure regulator maintains equivalent pressure on both sides of a 4-way switching valve by using the active feed pressure as the pilot pressure to control the back pressure on the inactive feed line. (Courtesy Fuels, Engines and Emissions Research Center at Oak Ridge National Laboratory)
Oak Ridge researchers were able to use a 4-way valve to make a seamless switch between the two gas streams, but the valve alone could not handle the multiple complexities of the system. The valve is designed to select one of the two gas streams to feed to the reactor while exhausting or venting the other; however, because the reactor presents a significant pressure drop, it is necessary to also maintain the vent stream at the same pressure as the reactor inlet to avoid disruption in flow to the reactor.
Exact control is critical; if the vent pressure is lower than the reactor pressure when the valve switches, the flow through the reactor will essentially stop until the pressure builds up enough to flow through the reactor bed. If the vent pressure is higher than the reactor pressure, the flow will surge through the reactor. Both of these scenarios are highly undesirable when trying to evaluate and understand the fundamental behavior of a reaction based on a controlled dose of reactants.
The Solution:
To find an optimal strategy to work with the alternating gas feeds, scientists and engineers at Oak Ridge contacted application engineers at a manufacturer specializing in highly sensitive dome-loaded backpressure regulators. The application required a sensitive backpressure regulator to prevent disruption in flow rate at pressures below 1 bar while also handling the elevated temperature of the stream. Together, the engineers and scientists developed the highly innovative approach of using the inlet pressure from the reactor as the set-point pressure to the dome of the backpressure regulator on the vent side.
Because of the regulator’s ability to use thin supple diaphragms, it can maintain precision below 1 bar, into the millibar range. In this application, the regulator restricts the flow just enough to create equal pressures on both the vent and the reactor sides of the 4-way valve. It is therefore self-regulating.
To meet the challenge of low pressure with high temperature, engineers selected a stainless steel backpressure regulator. They initially chose a PTFE/Glass diaphragm, but later determined that a thin polyimide diaphragm offered the best sensitivity for this application.
Multiple Benefits:
In the Oak Ridge system, the dome-loaded regulator plays a key role in automating the reactor under difficult switching conditions. Because the pressure in the reactor increases at high temperatures, this type of regulator is especially useful for temperature ramping/ stepping studies. Without such a self-regulated pressure control system, the reactor operator would need to manually adjust a backpressure regulator as the temperature was increased. Alternatively, if traditional electronic backpressure regulators were used for automating this pressure balance, it would require two pressure transducers connected to a control system. Such an approach has been shown to have a limited range of functionality in lab settings and certainly would have increased complexity and potential problems.
This innovative application at Oak Ridge demonstrates that a dome-loaded backpressure regulator can natively maintain pressure equilibrium on both sides of a diverter valve without set-point knobs or complex control systems. The elegant solution helps ensure precision and eliminates complexity, greatly contributing to Oak Ridge’s important research into clean energy.
2. Integrated Lab Solutions, Gmbh: Liquid and Gas Flow Control with 16 Parallel Reactors
Background:
Integrated Lab Solutions, Gmbh (ILS) is a Berlin-based fabricator of high-throughput testing systems for laboratory and pilot-scale catalysis research systems. ILS engineers frequently use dome-loaded backpressure regulators to control catalytic reactor pressure and to improve flow control of two-phase flow (simultaneous flow of liquids and gases).
High Throughput Catalytic Reactor System supplied by Integrated Lab Solutions, Gmbh, which incorporates multiple Equilibar backpressure regulators.
The Challenge:
In a recent application, ILS engineers faced a daunting scenario working on a system that had liquid and gas passing through 16 parallel trickle-flow reactors. The application involved a combination of gases and liquids that included hydrogen and paraffinic hydrocarbons. The application was further challenged by high-pressure conditions (300 bar) and high temperature (200°C).
Often, high-pressure separators are used downstream of trickle-flow reactors to avoid the pressure spikes that normally occur when liquids and gases pass through traditional backpressure regulators. Working with 16 parallel reactors, ILS considered the idea of including a high-pressure separator, gas backpressure regulator and liquid level control system for each stream to be highly undesirable.
Stack of four Equilibar Research Series backpressure regulators in a space-saving design. Each regulating unit includes inlet, outlet, and pilot ports with HPLC fitting ports.
The Solution:
ILS worked with supplier engineers to integrate a stack of 16 dome-loaded backpressure regulators that could accurately process both gas and liquid at the same time. This approach eliminated the requirement for the high-pressure separator and the liquid level control system on each reactor.
The design of this research-oriented backpressure regulator incorporates key features that allow for the two-phase performance:
Two parallel outlet orifices help stabilize pressure control by channeling most of the liquid to the outer orifice, thereby keeping the inner orifice largely in the gas phase.
The regulator’s relatively large and supple diaphragm is able to act as a pulsation dampener by absorbing brief pressure spikes caused by phase changes in the orifices
Application engineer Tony Tang specified a stainless steel SS316L metal diaphragm coupled with a Kalrez FFKM O-ring to handle the extreme temperatures. To further minimize the size of the installation, Tang adapted a stacked design for the higher pressures, with four backpressure regulators in each of four stacks (see photo).
While most individual research reactors are controlled using manually regulated nitrogen to control the regulator’s set-point, most high throughput research systems — provided by integrators such as ILS — use closed-loop control systems for higher accuracy and reliability.
In the ILS system, supervisory computers monitor the ILS reactor pressure and command the dome of the back pressure regulators by adjusting the nitrogen pilot using high pressure Bronkhorst Vary-P pressure control valves.
"The unique ability of these dome-loaded controllers to regulate two-phase back pressure over an extremely wide range of flow makes them optimal for use in trickle flow applications," said Dr. Anton Nagy, ILS founder.
In this application, the resulting system demonstrated highly stable pressure control, with pressure deviations less than 0.1 percent, even with mixed-phase fluids.
3. Auburn University Department of Chemical Engineering: Fischer-Tropsch Research with High Pressure and High Temperature Demands
Background:
The Fischer-Tropsch Synthesis is used by researchers around the world to produce liquid fuels from alternative energy sources such as biomass and natural gas. Developed by Franz Fischer and Hans Tropsch in the early 1900s, it is a relatively complicated chemical process that converts syngas — a mixture of carbon monoxide and hydrogen — into hydrocarbons, including many of the compounds in traditional liquid fuels.
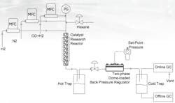
Schematic showing Fischer-Tropsch synthesis reactor with two-phase backpressure regulator. (Courtesy Auburn University)
At Auburn University in Alabama, David Roe is a graduate researcher in the Department of Chemical Engineering. Roe is conducting research using the Fischer-Tropsch Synthesis to generate gasoline and diesel length fuel compounds. He wanted to do a trial using dome-loaded backpressure regulators to help improve his existing pressure control system and to make his application more economically viable for today’s market.
The Challenge:
Catalysis researchers often rely on backpressure regulators to maintain stable reaction pressures under extreme reaction conditions. At Auburn, Roe’s application requires the process to run at both high pressures (1000 PSIG) and high temperatures (up to 350°C).
Originally, Roe used traditional manual backpressure regulators in his experiments, resulting in pressure deviations of approximately 30 PSI. Traditional regulators are spring-operated and open as overpressure compresses the spring. The change in the spring constant as the spring is compressed is a major source of error in traditional designs. In addition, the spring-operated regulators have limited pressure range and high hysteresis.
Backpressure Regulator installed in Fischer-Tropsch synthesis reactor at Auburn University.
"In the old system, I was never certain that the pressure I saw was stable or just a temporary deviation," Roe said.
He began searching for a higher precision method of control that was capable of smoothing out the disruptive pressure fluctuations, eventually deciding to try a dome-loaded back pressure regulator with a sensitive diaphragm.
The dome-loaded regulator’s unique diaphragm design also provides an ultra-wide flow range, typically 100X wider than traditional backpressure regulators. It works by supplying a fixed air or nitrogen signal to the top dome of the regulator equal to the desired pressure to be maintained in the reactor upstream of the regulator.
Solution:
In 2012, Roe’s research team purchased a 316 stainless steel backpressure regulator with 1/8" NPT process ports. Application engineers specified a Polyimide diaphragm and Kalrez 7075 O-rings to meet the high temperature and chemical demands of the process. The sensitive diaphragm with compressible pilot gas loading is designed to provide stable pressure across a 100,000-to-1 flow rate ratio.
Fischer-Tropsch synthesis reactor at Auburn University.
The system allows for the possibility of two-phase or biphasic process fluid to pass through the unit. Gaseous reactants and the liquid reaction media are fed into the system using mass flow controllers and a high-pressure pump, respectively, as shown in the schematic. The reactor pressure is maintained by the dome-loaded backpressure regulator downstream.
The regulator is piloted manually via a pressure-reducing regulator on an air cylinder that provides the control signal for the unit. Process effluent is separated in a cold trap while uncondensed gases proceed directly to a gas chromatograph for analysis. Liquid is periodically collected for offline analysis.
Successful Results:
The regulator is piloted manually via a pressure-reducing regulator on an air cylinder that provides the control signal for the unit. Process effluent is separated in a cold trap while uncondensed ga The dome-loaded regulator enables Roe to set a pressure and then begin building pressure without uncertainty about where the system will equilibrate. This saves significant time by avoiding the frequent manual adjustments necessary with a spring-based regulator.
The unit has been in service since 2012 with minimal issues. It is used for approximately one test a month, which can last over two weeks. This includes startup, catalysis testing and system pressure reduction. Roe reports unparalleled pressure stability in the application with the new regulator in place. "The system generally stays within 5 PSI of its set point," he said.
Jeff Jennings, P.E., is founder and president of Equilibar, LLC, a provider of high precision pressure control solutions, including dome loaded backpressure regulators that are specifically designed for challenging applications such as those encountered in research efforts. Prior to Equilibar, he worked as a process development engineer for 23 years. He is a licensed professional engineer in North Carolina and holds several patents. Jennings can be reached at [email protected] or 828-650-6590.
About the Author
Jeff Jennings
Jeff Jennings, PE, is founder and president of Equilibar, an engineering company that specializes in precision fluid control for challenging applications around the world. Jennings has more than 30 years of engineering experience including 16 years with The DuPont Company. He holds several international patents and continues active research in the field of fluid controls. He may be reached at [email protected].









